What Is a PoE NVR Security System and Why You Need One
But what exactly makes a PoE NVR security system the gold standard in modern surveillance? Why are businesses, homeowners, and security professionals increasingly turning to this technology over traditional analog systems or wireless alternatives? Throughout this comprehensive guide, we'll explore every aspect of nvr security camera systems, from their fundamental architecture to advanced features, installation processes, and real-world applications.
Whether you're a small business owner looking to protect your storefront, a homeowner seeking peace of mind, a facility manager responsible for large commercial properties, or an AV system integrator designing sophisticated security solutions, this guide will provide you with the knowledge and insights needed to make informed decisions about your surveillance infrastructure. We'll delve into how av system integration software enhances these systems, explore network architecture, discuss bandwidth requirements, and provide actionable strategies for optimizing your security investment.
The nvr security camera system represents more than just cameras and recording equipment—it's a comprehensive ecosystem that leverages IP technology, cloud integration, artificial intelligence, and advanced analytics to provide unprecedented levels of security and operational intelligence.

Understanding the Fundamentals: What Is a PoE NVR Security System?
Defining Network Video Recorders (NVR)
A Network Video Recorder (NVR) is a specialized computer system designed to record video footage from IP cameras over a network. Unlike traditional Digital Video Recorders (DVRs) that process video data at the recorder level, NVRs work with IP cameras that encode and process video data at the camera itself before transmitting it to the recorder.The NVR acts as a centralized hub for your entire surveillance network, managing multiple IP cameras, storing recorded footage, enabling remote access, and providing a user interface for monitoring and playback. Modern NVRs are powerful computing devices equipped with dedicated processors, substantial storage capacity, and sophisticated software that can handle multiple high-resolution video streams simultaneously.Key characteristics of NVRs include:
- Network-based operation: Uses standard Ethernet networks and TCP/IP protocols
- Digital recording: Stores video in digital formats like H.264, H.265, or H.265+
- Scalability: Easily expand by adding more cameras to the network
- Remote accessibility: View footage from anywhere via internet connectivity
- Advanced features: Supports motion detection, video analytics, facial recognition, and more
Understanding Power over Ethernet (PoE) Technology
Power over Ethernet (PoE) is a groundbreaking technology that allows network cables to carry both data and electrical power simultaneously. This innovation eliminates the need for separate power cables for each camera, dramatically simplifying installation and reducing costs.PoE standards include:
- IEEE 802.3af (PoE): Provides up to 15.4 watts per port
- IEEE 802.3at (PoE+): Delivers up to 30 watts per port
- IEEE 802.3bt (PoE++ or 4PPoE): Supplies up to 60-100 watts per port
The Complete PoE NVR Ecosystem
A complete PoE NVR security system typically consists of:- PoE Network Video Recorder: The central recording and management device with integrated PoE switch
- PoE IP Cameras: Network cameras that receive both power and data through Ethernet
- Network Cables: Cat5e, Cat6, or Cat6a Ethernet cables connecting cameras to the NVR
- Storage Drives: Hard disk drives (HDDs) or solid-state drives (SSDs) for video storage
- Monitor: Display device for viewing live feeds and playback
- Network Infrastructure: Routers, switches, and internet connectivity for remote access
- Management Software: Interface for configuration, monitoring, and control
The Critical Importance of PoE NVR Security Systems in Modern Security
Why PoE NVR Systems Are Essential
In an era where security threats are increasingly sophisticated and diverse, having a reliable surveillance system isn't just about deterring criminals—it's about protecting assets, ensuring operational continuity, gathering evidence, improving efficiency, and creating safer environments for people and property.Comprehensive Threat Protection
PoE NVR security systems provide comprehensive coverage against various security threats:- Theft and burglary prevention: Visible cameras deter criminal activity
- Vandalism monitoring: Capture evidence of property damage
- Unauthorized access control: Monitor entry points and restricted areas
- Employee safety: Ensure workplace security and emergency response
- Liability protection: Document incidents for insurance and legal purposes
Business Intelligence and Operations
Modern nvr security camera systems extend beyond security to provide valuable business intelligence:- Customer behavior analysis: Understand traffic patterns and shopping habits
- Operational efficiency: Monitor workflow and identify bottlenecks
- Quality control: Oversee production processes and service delivery
- Compliance verification: Ensure adherence to safety and regulatory standards
- Remote management: Monitor multiple locations from a central point
Peace of Mind and Proactive Security
The psychological and practical benefits of comprehensive surveillance include:- 24/7 monitoring capability: Continuous protection regardless of time or location
- Real-time alerts: Instant notifications of suspicious activity
- Evidence collection: High-quality footage for law enforcement
- Insurance benefits: Potential premium reductions with verified security systems
- Property value enhancement: Increased appeal and marketability
The Evolution from Analog to IP-Based Systems
The transition from analog CCTV systems to IP-based NVR systems represents a paradigm shift in surveillance technology:Traditional Analog Systems utilized coaxial cables, limited resolution (typically 960H or D1), required separate power cables, offered minimal scalability, and lacked advanced features.
Modern IP/NVR Systems leverage Ethernet networks, deliver high resolution (1080p to 4K and beyond), integrate PoE for simplified cabling, provide unlimited scalability, and enable advanced analytics, AI capabilities, and cloud integration.
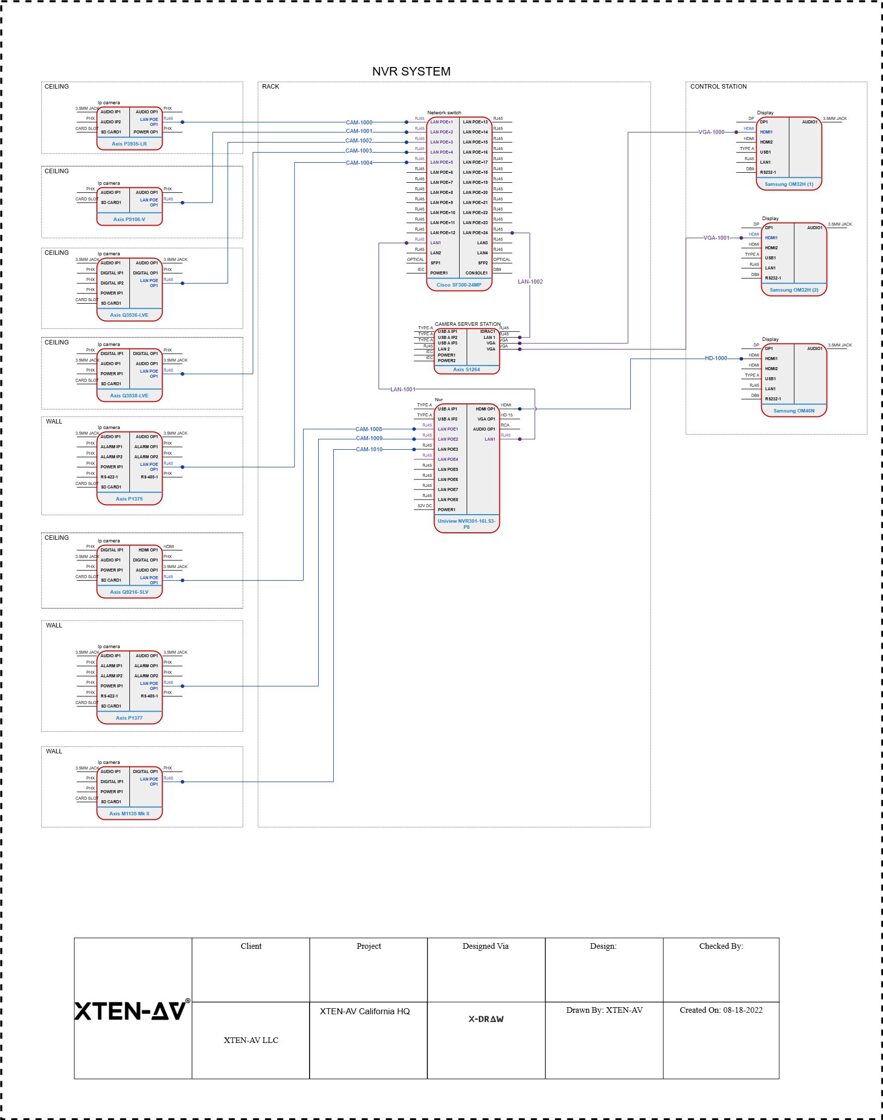
In-Depth Technical Architecture of PoE NVR Systems
Network Infrastructure and Design
A properly designed network infrastructure is the foundation of any effective PoE NVR security system. Understanding the network components and their interactions is crucial for optimal performance.Network Topology
Star topology is most common for PoE NVR systems, where all IP cameras connect directly to the PoE NVR or a PoE switch. This provides:- Simplified troubleshooting: Issues isolated to individual connections
- Maximum bandwidth: Dedicated connection per camera
- Reliability: Failure of one connection doesn't affect others
- Easy expansion: Add cameras without redesigning network
Bandwidth Requirements and Calculation
Proper bandwidth planning ensures smooth video streaming without network congestion. Bandwidth consumption depends on:- Resolution: Higher resolutions require more bandwidth
- Frame rate: More frames per second increase data throughput
- Compression: H.265 uses approximately 50% less bandwidth than H.264
- Scene complexity: Movement and detail impact compression efficiency
Example bandwidth calculations:
- 2MP camera (1080p) @ 30fps with H.264: ~4-6 Mbps
- 4MP camera @ 30fps with H.264: ~8-10 Mbps
- 8MP camera (4K) @ 30fps with H.264: ~15-20 Mbps
- Same cameras with H.265: approximately 50% reduction
Storage Architecture and Management
Storage capacity planning is critical for ensuring adequate retention periods and system reliability.Storage Calculation Formula
Storage (TB) = (Bitrate × 3600 × Hours × Days × Cameras) / (8 × 1,024 × 1,024 × 1,024)Where:- Bitrate is in Kbps
- Hours = recording hours per day (typically 24)
- Days = desired retention period
- Divide by 8 to convert bits to bytes
- Divide by 1,024³ to convert to terabytes
Storage Media Types
Hard Disk Drives (HDDs):- Surveillance-rated drives (e.g., WD Purple, Seagate SkyHawk)
- Optimized for 24/7 operation
- High capacity (up to 18TB+)
- Cost-effective for large storage needs
- MTBF ratings of 1+ million hours
- Faster read/write speeds
- No moving parts (more reliable)
- Lower power consumption
- Higher cost per gigabyte
- Ideal for OS drives or high-performance needs
- RAID 0: Striping for performance (no redundancy)
- RAID 1: Mirroring for redundancy
- RAID 5: Striping with parity (balance of performance and redundancy)
- RAID 6: Double parity for enhanced protection
- RAID 10: Combination of mirroring and striping
PoE Power Delivery and Management
Understanding PoE power delivery is essential for system reliability and proper camera functionality.PoE Power Budget Calculation
Each PoE NVR has a total power budget across all ports. Calculate total power requirements:- Determine power consumption of each camera
- Add overhead for power loss over cable length (approximately 10-20%)
- Sum total power needs for all cameras
- Ensure NVR power budget exceeds total requirements with 20% margin
- 16 cameras @ 12 watts each = 192 watts
- Add 20% overhead = 230 watts
- NVR should provide minimum 250-275 watts total
Cable Length Limitations
Standard PoE operates effectively up to 100 meters (328 feet) per cable run. For longer distances:- PoE extenders: Add up to 100 meters per extender
- PoE switches: Create intermediate connection points
- Fiber optic converters: Extend connections kilometers
- PoE repeaters: Amplify power and data signals
Comprehensive Benefits of PoE NVR Security Systems
Simplified Installation and Reduced Costs
PoE technology revolutionizes installation by eliminating the need for separate power infrastructure for each camera.Installation Cost Savings
Traditional systems require:
- Electrical wiring: $100-200 per camera location
- Licensed electrician: $75-150 per hour
- Power outlets: $50-100 per installation
- Labor time: 2-4 hours per camera
PoE systems reduce costs by:
- Single cable runs: $20-40 per camera
- No electrician needed: Save $150-300 per camera
- Faster installation: 30-60 minutes per camera
- DIY-friendly: Homeowners can self-install
Simplified Cable Management
Clean aesthetics result from:
- Fewer cables visible in ceilings and walls
- Easier routing through existing pathways
- Reduced clutter in equipment rooms
- Professional appearance
Superior Video Quality and Flexibility
IP cameras connected to NVR systems deliver exceptional video quality far exceeding analog capabilities.Resolution Advantages
Modern IP cameras support:- 1080p (2MP): Standard HD quality
- 3MP/4MP: Enhanced detail
- 5MP/6MP: Superior clarity
- 4K (8MP): Ultra-high definition
- 12MP+: Extreme detail for specialized applications
- Windows with bright exterior views
- Entrances with direct sunlight
- Parking structures with varying light levels
- Retail spaces with spotlighting
Advanced Features and Intelligence
Modern PoE NVR systems incorporate sophisticated technologies that transform passive surveillance into active security management.Artificial Intelligence Integration
AI-powered analytics include:
Object Detection: Distinguish between people, vehicles, and animals to reduce false alarms Facial Recognition: Identify known individuals and flag unknown persons License Plate Recognition (LPR): Automatic vehicle identification Behavior Analysis: Detect unusual activity patterns People Counting: Track foot traffic and occupancy Heat Mapping: Visualize movement patterns Queue Management: Monitor wait times and service efficiency
Smart Motion Detection
Advanced motion detection goes beyond simple pixel changes:
- Zone-based detection: Define specific areas to monitor
- Object size filtering: Ignore small objects like insects or debris
- Directional detection: Alert only on specific movement directions
- Line crossing: Trigger when objects cross defined boundaries
- Intrusion detection: Identify unauthorized area access
- Loitering detection: Alert on suspicious stationary behavior
Scalability and Future-Proofing
PoE NVR systems offer unmatched scalability compared to analog alternatives.Easy Expansion
Add cameras by simply:- Connecting new PoE camera to available network port
- Running single Ethernet cable to camera location
- Configuring camera in NVR management software
- Adjusting storage if needed
Future Technology Integration
NVR platforms accommodate:- Software updates: New features without hardware changes
- Higher resolution cameras: Mix different resolutions in same system
- Cloud integration: Hybrid local and cloud storage
- Third-party integrations: Access control, alarm systems, VMS platforms
- IoT connectivity: Smart building integration
- Edge computing: AI processing at camera level
Remote Access and Management
Network connectivity enables unprecedented accessibility.Multi-Platform Access
View and manage systems through:- Web browsers: Access from any computer
- Mobile apps: iOS and Android applications
- Desktop software: Full-featured client applications
- Smart TVs: Direct streaming to television displays
- VMS integration: Professional Video Management Software
Remote Capabilities
Perform remotely:- Live viewing: Monitor real-time feeds
- Playback: Search and review recorded footage
- Configuration: Adjust camera settings and recording schedules
- Alerts: Receive push notifications and email alerts
- PTZ control: Operate pan-tilt-zoom cameras
- Audio communication: Two-way talk with on-site personnel
- Firmware updates: Keep systems current
Enhanced Reliability and Redundancy
PoE NVR systems offer multiple layers of reliability.System Redundancy
Implement redundancy through:- RAID storage: Protect against drive failures
- Backup NVRs: Secondary recording devices
- Cloud backup: Off-site storage for critical footage
- UPS integration: Uninterruptible power supplies for power outages
- Failover recording: Cameras record to SD cards if NVR connection lost
Diagnostic and Monitoring
Built-in health monitoring includes:- HDD health: S.M.A.R.T. monitoring for drive status
- Network diagnostics: Bandwidth utilization and connection status
- Camera status: Online/offline tracking
- Recording verification: Ensure continuous operation
- Temperature monitoring: Prevent overheating
- Event logging: Comprehensive system activity records
Integration with AV System Integration Software
The Role of Professional AV System Integration
AV system integration software elevates PoE NVR security systems from standalone solutions to comprehensive, unified platforms that seamlessly interact with other building systems and technologies.What Is AV System Integration Software?
AV system integration software provides a centralized platform for managing diverse audio-visual and security technologies within a single interface. These sophisticated software solutions enable:
- Unified control: Manage security cameras, audio systems, displays, and more from one dashboard
- Automation: Create scenarios and triggers that connect multiple systems
- Scheduling: Automate system behaviors based on time, events, or conditions
- Reporting: Generate comprehensive reports across integrated systems
- User management: Control access and permissions across all connected devices
Popular AV Integration Platforms
Crestron
Crestron is an industry leader in control and automation systems:- Seamlessly integrates NVR systems with building automation
- Provides touchpanel interfaces for intuitive control
- Supports video wall management
- Enables room scheduling integration
- Offers enterprise-level scalability
Control4
Control4 specializes in smart home and commercial automation:- Intuitive interfaces for homeowners and businesses
- Integrates security cameras with lighting, HVAC, and entertainment
- Provides mobile control apps
- Supports voice control integration
- Offers dealer/installer network
Extron
Extron focuses on professional AV signal management:- Excellent for control room applications
- Integrates video switching with surveillance
- Provides scheduling software for meeting spaces
- Offers global cache integration
- Supports enterprise management
RTI (Remote Technologies Inc.)
RTI delivers custom control solutions:- Highly customizable interfaces
- Integrates with hundreds of devices
- Strong security system support
- Professional installer network
- Scalable from residential to commercial
Benefits of AV System Integration Software
Centralized Management
Single-interface control provides:- Monitor security cameras alongside other building systems
- Receive unified alerts and notifications
- Access all systems through one mobile app
- Simplified user training
- Reduced operational complexity
Advanced Automation
Create intelligent scenarios like:- Security mode: When armed, adjust cameras to recording mode, dim lights, and activate motion sensors
- Business hours: Automatically switch camera views, unlock doors, and adjust lighting
- Emergency protocol: Trigger lockdown procedures, alert authorities, and activate all cameras
- Energy management: Coordinate HVAC and lighting based on occupancy detected by cameras
Enhanced User Experience
AV integration delivers:- Custom interfaces: Tailored to specific workflows
- Drag-and-drop control: Intuitive operation
- Visual feedback: Real-time status of all systems
- Multi-room control: Manage distributed locations
- Personalized access: Role-based permissions
Business Intelligence Integration
Connect NVR systems with:- Point-of-sale (POS) systems: Link transactions to video footage
- Access control: Verify identity with camera confirmation
- Building management systems (BMS): Coordinate HVAC, lighting, and security
- Analytics platforms: Feed data into business intelligence tools
- ERP systems: Integrate security with enterprise operations
Selecting the Right PoE NVR Security System
Assessing Your Security Requirements
Property Analysis
Evaluate your property's characteristics:Size and layout:- Square footage to cover
- Number of buildings or structures
- Indoor versus outdoor areas
- Perimeter versus interior needs
- Parking lots and vehicle areas
- Previous security incidents
- Neighborhood crime rates
- Valuable assets to protect
- Employee/resident safety concerns
- Legal and insurance requirements
- Entry and exit points
- Cash handling areas
- Storage rooms and warehouses
- Parking structures
- Perimeter fencing
- Reception areas
- Loading docks
Determining Camera Quantity and Placement
Strategic camera placement ensures comprehensive coverage:Rule of thumb: One camera per 1,000-2,000 square feet for general coverage, with additional cameras for high-value or high-risk areas.
Camera types needed:
- Bullet cameras: Outdoor, long-range viewing
- Dome cameras: Indoor, vandal-resistant
- PTZ cameras: Large areas requiring flexible viewing
- Fisheye cameras: 360-degree coverage for central locations
- Specialty cameras: License plate capture, low-light areas
NVR Specifications to Consider
Channel Count
NVR channel count determines maximum connected cameras:- 4-channel: Small homes or single-room businesses
- 8-channel: Medium homes or small retail
- 16-channel: Large residences or medium businesses
- 32-channel: Large commercial facilities
- 64+ channel: Enterprise deployments
Pro tip: Choose 20-30% more channels than current needs for future expansion.
Recording Resolution Support
Ensure NVR supports your desired camera resolutions:- 1080p support: Minimum standard
- 4MP/5MP support: Enhanced detail
- 4K (8MP) support: Ultra-high definition
- 12MP+ support: Specialized high-detail needs
Processing Power
NVR processor determines:- Number of simultaneous streams
- Analytics performance
- Encoding/decoding capability
- Interface responsiveness
- Multi-core processors: Better multitasking
- Dedicated video decoder chips: Smoother playback
- Sufficient RAM: 4GB minimum, 8GB+ preferred
- GPU acceleration: Enhanced AI processing
Storage Capacity
Calculate required storage based on:- Number of cameras
- Resolution and frame rate
- Compression codec
- Recording schedule (continuous vs. motion)
- Retention period requirements
- Single drive bays: 1-2 drives (up to 36TB)
- Multi-bay NVRs: 4-8 drives (up to 144TB+)
- Network storage: NAS or SAN connectivity
- Cloud storage: Hybrid or backup solutions
Network Performance
Essential network specifications:- Gigabit Ethernet ports: 1000 Mbps minimum
- PoE+ support: 30 watts per port minimum
- Total PoE budget: Sum of all camera power needs plus 20% overhead
- Bandwidth capacity: Handle total camera throughput plus overhead
- Network redundancy: Dual network ports for failover
Camera Selection Criteria
Resolution Requirements
Match resolution to viewing needs:2MP (1080p):- General surveillance
- Budget-conscious deployments
- Areas not requiring extreme detail
- Enhanced identification capability
- Balanced quality and storage
- Retail and commercial spaces
- Critical identification areas
- Large area coverage with digital zoom capability
- Entrances and cash handling
- Specialized applications
- Large parking lots
- Stadiums and entertainment venues
Lens and Field of View
Fixed lens cameras provide:
- Consistent field of view
- Lower cost
- Simpler maintenance
Varifocal lens cameras offer:
- Adjustable zoom (typically 2.8-12mm or 2.7-13.5mm)
- Field of view customization
- Greater installation flexibility
Field of view considerations:
- Wide angle (2.8mm): 90-100° horizontal, covers large areas with less detail
- Medium (3.6-6mm): 60-80° horizontal, balanced coverage and detail
- Narrow (8-12mm): 30-50° horizontal, focused identification
Environmental Ratings
Indoor cameras:
- Basic environmental protection
- Lower cost
- Simpler design
Outdoor cameras require:
- IP66/IP67 rating: Weather resistance
- IK10 rating: Vandal resistance
- Operating temperature: -30°C to 60°C or wider
- Heater and fan: Extreme climate operation
- Sun shield: Protection from direct sunlight
Low-Light Performance
Low-light capability determines nighttime effectiveness:
Infrared (IR) cameras:
- Built-in IR LEDs: Illuminate darkness
- Range: 30-100+ meters
- Black and white night vision
- Most common solution
- Large sensors: Capture more light
- Wide aperture lenses: F1.2-F1.4
- Color night vision in very low light
- Higher cost but superior quality
ColorVu/Full-color cameras:
- Warm LED illumination: Visible light instead of IR
- Full-color 24/7: No black and white switching
- Deterrent effect: Visible lighting
- Acts as area lighting
Brand Considerations
Tier 1 Manufacturers
Hikvision:
- Market leader in global market share
- Extensive product range
- Competitive pricing
- Strong AI capabilities
- Note: Subject to certain government restrictions in some regions
Dahua:
- Second largest global manufacturer
- Innovative features
- Excellent value proposition
- Wide distributor network
- Note: Also subject to certain government restrictions
Axis Communications:
- Premium Swedish manufacturer
- Exceptional build quality
- Industry-leading warranties
- High-end applications
- Higher price point
Hanwha Techwin (Samsung):
- Strong commercial presence
- Reliable performance
- Good enterprise support
- Competitive pricing
Specialized and Professional Brands
Avigilon (Motorola Solutions):
- Enterprise-focused
- Exceptional analytics
- Appearance Search technology
- High-end pricing
Verkada:
- Cloud-native architecture
- Modern interface
- Subscription-based model
- Integrated access control
UniFi Protect (Ubiquiti):
- Network equipment integration
- Simple management
- Growing product line
- Competitive pricing
Bosch Security:
- Industrial-grade quality
- Modular systems
- Long-term reliability
- Professional installations
Consideration Factors
When selecting brands:
- Warranty and support: 2-5 year warranties preferred
- Software updates: Regular firmware releases
- Compatibility: Integration with other systems
- Local support: Availability of technical assistance
- Parts availability: Replacement components
- Cybersecurity: Regular security patches
- Compliance: Relevant certifications (FCC, CE, NDAA, etc.)
Installation Best Practices for PoE NVR Systems
Pre-Installation Planning
Site Survey
Conduct comprehensive site assessment:Physical walkthrough:- Identify all camera locations
- Determine cable routes
- Locate mounting surfaces
- Assess lighting conditions
- Measure distances
Network assessment:
- Existing infrastructure evaluation
- Switch capacity verification
- PoE availability confirmation
- Bandwidth capacity checking
- Internet connectivity testing
Documentation:
- Create floor plans with camera positions
- Photograph mounting locations
- Note measurements and specifications
- Record network topology
- Document equipment locations
Tools and Materials Preparation
Essential installation tools:
- Cable crimping tools: RJ45 connectors
- Cable tester: Verify proper connections
- Drill and bits: Various sizes for mounting
- Fish tape: Cable routing through walls
- Ladder: Ceiling access
- Level: Proper camera alignment
- Screwdrivers and wrenches: Various sizes
- Voltage tester: Verify PoE delivery
Required materials:
- Ethernet cable: Cat5e, Cat6, or Cat6a as needed
- RJ45 connectors: Quality connectors for terminations
- Cable management: Conduit, cable trays, wire ties
- Mounting hardware: Anchors, screws, brackets
- Weatherproofing: Silicone sealant for outdoor installations
- Labels: Cable identification
Network Infrastructure Setup
Switch Configuration
Prepare network equipment:
- Calculate total PoE requirements
- Install appropriate PoE switch if needed
- Configure VLANs for security camera traffic
- Set QoS policies to prioritize video traffic
- Enable port security to prevent unauthorized devices
- Document switch configuration
Network Segregation
Best practice network design:- Dedicated camera VLAN: Isolate surveillance traffic
- Management VLAN: Separate control interface access
- Guest network isolation: Prevent unauthorized access
- Firewall rules: Control traffic flow
- Access control lists (ACLs): Restrict communications
Camera Installation
Mounting Techniques
Wall mounting:
- Mark mounting holes using template
- Drill pilot holes
- Insert wall anchors if needed
- Attach mounting bracket
- Secure camera to bracket
- Adjust viewing angle
- Tighten all connections
Ceiling mounting:
- Locate ceiling joists or use appropriate anchors
- Use mounting plate or gang box
- Ensure sufficient clearance for camera
- Route cables through ceiling
- Secure camera firmly
- Verify dome is properly sealed
Pole mounting:
- Use weather-resistant mounting arm
- Ensure pole diameter compatibility
- Secure with stainless steel straps
- Protect connections from weather
- Verify camera stability in wind
Cable Management
Professional cable installation:Indoor routing:
- Use plenum-rated cable in air-handling spaces
- Follow existing cable runs when possible
- Maintain proper bend radius (minimum 4x cable diameter)
- Avoid parallel runs with power cables (maintain 12" separation)
- Support cables every 4-5 feet
- Label both ends clearly
Outdoor routing:
- Use UV-resistant outdoor-rated cable
- Install in conduit for protection
- Seal all penetrations with waterproof compounds
- Protect from water ingress at connections
- Use drip loops at entry points
- Ground properly per electrical code
NVR Configuration
Initial Setup
Configure NVR step-by-step:
- Connect NVR to network and monitor
- Power on and complete initial wizard
- Set administrator password (strong, unique)
- Configure date/time and time zone
- Set network parameters (static IP recommended)
- Initialize storage drives
- Configure RAID if applicable
Camera Discovery and Addition
Add cameras to system:
- Use auto-discovery feature to find cameras
- Assign cameras to channels
- Set individual camera parameters:
- Resolution and frame rate
- Compression settings
- Exposure and image quality
- Motion detection zones
- Recording schedules
- Name cameras descriptively (e.g., "Front Door", "Parking Lot NE")
- Verify live views for all cameras
Recording Configuration
Optimize recording settings:Recording modes:
- Continuous: 24/7 recording
- Motion-based: Record only when motion detected
- Scheduled: Record during specific time periods
- Event-triggered: Record on alarms or analytics
Stream configuration:
- Mainstream: High quality for recording
- Substream: Lower quality for live viewing and mobile access
- Third stream: Additional stream for specialized purposes
Retention management:
- Overwrite when full: Continuous operation
- Stop when full: Preserve footage for investigation
- Scheduled deletion: Automated cleanup
- Important footage protection: Lock critical recordings
Testing and Optimization
System Verification
Comprehensive testing procedures:Camera testing:
- Verify all cameras appear online
- Check video quality in various lighting
- Test motion detection accuracy
- Confirm night vision operation
- Verify audio if applicable
Recording verification:
- Confirm recordings are being saved
- Test playback functionality
- Verify retention period calculations
- Check storage space utilization
- Test recording recovery
Network testing:
- Verify bandwidth utilization
- Check for network errors or packet loss
- Test remote access functionality
- Confirm mobile app connectivity
- Verify email/push notifications
Power testing:
- Verify adequate PoE delivery to all cameras
- Check voltage at camera with PoE tester
- Simulate power loss and verify UPS operation
- Test failover recording if configured
Performance Optimization
Fine-tune system performance:Image optimization:
- Adjust exposure for lighting conditions
- Configure WDR for challenging scenes
- Set appropriate white balance
- Adjust sharpness and contrast
- Enable image enhancement features
Motion detection tuning:
- Adjust sensitivity to reduce false positives
- Configure detection zones precisely
- Set object size filters
- Enable smart detection features
- Test and refine over several days
Bandwidth optimization:
- Use H.265 compression where supported
- Adjust frame rates appropriately (15-20fps often sufficient)
- Configure variable bitrate for efficiency
- Use dual streams effectively
- Enable smart encoding features
Advanced Features and Capabilities
Artificial Intelligence and Analytics
Modern PoE NVR systems incorporate powerful AI capabilities that transform surveillance from passive recording to active intelligence.Intelligent Video Analytics (IVA)
Advanced analytics functions:Perimeter protection:
- Virtual fences with intrusion detection
- Loitering alerts
- Region entrance/exit detection
- Object left behind detection
- Object removal detection
People analytics:
- People counting
- Queue management
- Heat mapping
- Crowd density monitoring
- Social distancing monitoring
Vehicle analytics:
- License plate recognition (LPR/ANPR)
- Vehicle counting and classification
- Parking violation detection
- Traffic flow analysis
- Wrong-way driving detection
Face recognition:
- Face detection and capture
- Face comparison against databases
- Stranger detection
- VIP recognition
- Age and gender estimation
Behavior analysis:
- Fall detection
- Fighting/violent behavior detection
- Running detection
- Unusual behavior patterns
- Crowd gathering detection
Deep Learning Technologies
Neural network-based detection provides:
- Higher accuracy: Reduced false positives
- Better object classification: Distinguish people, vehicles, animals
- Improved recognition: Enhanced facial and license plate accuracy
- Adaptive learning: Systems improve over time
- Complex scenario handling: Multiple simultaneous events
Integration Capabilities
Access Control Integration
Unified security through integrated platforms:Benefits:
- Verify identity with camera before granting access
- Link badge swipes to video footage
- Alert on forced entry or tailgating
- Automatically record at entry events
- Visual verification of access rights
Common protocols:
- OSDP (Open Supervised Device Protocol)
- Wiegand
- SDK integration with access control systems
- API connections
Alarm System Integration
Coordinated response capabilities:
- Trigger camera recording on alarm activation
- Display relevant cameras on alarm events
- Verify alarm conditions remotely
- Reduce false alarm dispatches
- Provide video verification to authorities
Point of Sale (POS) Integration
Loss prevention and operational intelligence:
Capabilities:
- Overlay transaction data on video
- Link suspicious transactions to footage
- Detect cash handling irregularities
- Monitor refund and void patterns
- Verify pricing and scanning accuracy
- Track inventory movement
- Retail shrink reduction
- Employee theft prevention
- Customer dispute resolution
- Training and quality assurance
Building Management Systems (BMS)
Smart building integration:
- Coordinate HVAC with occupancy
- Link lighting to surveillance activity
- Integrate fire alarm systems
- Manage energy based on presence
- Centralized facility monitoring
Cloud and Hybrid Solutions
Cloud Recording
Cloud-based storage advantages:Benefits:
- Off-site backup for disaster recovery
- Access from anywhere without VPN
- Automatic software updates
- Scalable storage without hardware
- Reduced on-site maintenance
Considerations:
- Monthly subscription costs
- Bandwidth requirements for uploads
- Internet dependency
- Data privacy and compliance
- Upload speed limitations
Hybrid Architectures
Best of both worlds:
- Primary recording: Local NVR for immediate access and bandwidth efficiency
- Cloud backup: Critical cameras or incidents uploaded
- Intelligent uploading: Event-triggered cloud storage
- Failover: Cloud recording if local storage fails
- Long-term archival: Move old footage to cloud
Cybersecurity Features
Securing Your NVR System
Essential security measures:Network security:
- Change default passwords immediately
- Use strong, unique passwords
- Enable two-factor authentication
- Implement VLANs for isolation
- Configure firewall rules
- Disable unnecessary services
- Use VPN for remote access
Firmware management:
- Regular firmware updates
- Subscribe to security advisories
- Test updates in non-production first
- Document update history
- Maintain firmware backup
Access control:
- Create role-based user accounts
- Implement principle of least privilege
- Audit user activity regularly
- Disable unused accounts
- Session timeout configuration
- IP whitelisting where possible
Encryption:
- Enable HTTPS for web access
- Use encrypted protocols (SSL/TLS)
- Encrypt stored video if available
- Secure mobile app connections
- Certificate-based authentication
Compliance Considerations
Regulatory requirements:NDAA compliance:
- Use NDAA-compliant equipment for government facilities
- Understand restrictions on certain manufacturers
- Documentation requirements
GDPR (Europe):
- Data protection impact assessments
- Privacy by design principles
- Data retention limitations
- Individual rights management
- Cross-border data transfer rules
CCPA (California):
- Consumer privacy rights
- Data collection transparency
- Opt-out mechanisms
- Security requirements
Industry-specific:
- PCI DSS for payment card environments
- HIPAA for healthcare settings
- FERPA for educational institutions
- SOX for financial companies
Troubleshooting Common Issues
Camera Connectivity Problems
Camera Not Appearing in NVR
Diagnosis steps:
- Verify physical connection:
- Check cable is firmly seated
- Test cable with cable tester
- Try different NVR port
- Test camera with known good cable
- Check PoE delivery:
- Verify PoE is enabled on port
- Measure voltage at camera (48V expected)
- Confirm total PoE budget not exceeded
- Test with PoE injector
- Network configuration:
- Verify camera and NVR on same subnet
- Check for IP address conflicts
- Confirm DHCP server operational
- Try manual IP assignment
- Camera initialization:
- Power cycle camera
- Reset camera to factory defaults
- Update camera firmware
- Check camera compatibility with NVR
Intermittent Camera Disconnections
Possible causes and solutions:
Network issues:
- Replace failing network cable
- Check for electromagnetic interference (EMI)
- Verify switch port health
- Update switch firmware
Power problems:
- Insufficient PoE wattage
- Voltage drop over distance
- Failing PoE switch
- Add PoE extender or higher-wattage switch
- Overheating camera
- Moisture ingress
- Extreme temperatures
- Improve ventilation or add cooling
Video Quality Issues
Poor Image Quality
- Clean camera lens
- Adjust focus (varifocal cameras)
- Reposition for better angle
- Check for obstructions
- Adjust shutter speed
- Configure exposure compensation
- Enable WDR for high-contrast scenes
- Set appropriate day/night switch threshold
- Increase bitrate for better quality
- Check for network congestion
- Verify sufficient bandwidth available
- Adjust compression settings
Night Vision Problems
- Adjust camera angle to avoid reflective surfaces
- Move camera away from glass
- Use external IR illuminators
- Disable built-in IR and use white light
- Check IR LED functionality
- Increase IR power/range
- Add supplemental illumination
- Consider cameras with better low-light performance
- IR cut filter stuck or malfunctioning
- Clean IR LEDs and lens
- Reset camera to factory defaults
- Update firmware
Recording and Storage Issues
Storage Full Errors
- Immediate actions:
- Enable overwrite mode
- Delete unnecessary recordings
- Export and archive important footage
- Add additional storage drives
- Long-term solutions:
- Reduce retention period
- Lower recording quality or frame rate
- Use motion-based recording instead of continuous
- Implement scheduled recording
- Add more or larger capacity drives
Missing or Corrupted Recordings
Data recovery approaches:
Prevention:
- Implement RAID redundancy
- Use high-quality surveillance-rated drives
- Maintain proper NVR cooling
- Implement cloud backup for critical cameras
- Regular drive health monitoring
- Use NVR built-in repair functions
- Export footage immediately when discovered
- Professional data recovery services for critical evidence
- Check cloud backup if configured
Network and Remote Access Issues
Cannot Access NVR Remotely
Remote access troubleshooting:
Network configuration:
- Verify internet connectivity
- Check router port forwarding configuration
- Confirm NVR external IP address
- Test with DDNS service
- Disable double NAT scenarios
Firewall and security:
- Check firewall rules allow access
- Verify correct ports are open
- Test with firewall temporarily disabled
- Check ISP doesn't block required ports
NVR settings:
- Enable remote access/P2P in NVR
- Verify correct external port configuration
- Check DDNS status if used
- Update NVR firmware
Slow or Choppy Remote Video
Performance optimization:
Bandwidth management:
- Use substream for remote viewing
- Reduce remote viewing quality settings
- Check upload bandwidth at NVR location
- Limit number of simultaneous remote connections
- Use wired connection instead of Wi-Fi
- Close unnecessary applications
- Test during different times
- Consider upgrading internet service
Real-World Case Studies
Case Study 1: Retail Store Chain Implementation
The Challenge
A regional retail chain with 25 locations was experiencing significant shrinkage, averaging 3.2% of revenue. Their outdated analog CCTV system provided poor video quality, making identification difficult, and lacked POS integration to identify suspicious transactions. The complex wiring required extensive maintenance, and headquarters could not access footage remotely without physically visiting stores.
The Solution
Deployed comprehensive PoE NVR security system across all locations:
System specifications:
- 16-channel PoE NVR per location
- 4MP PoE cameras with facial recognition capabilities
- POS integration linking transactions to video
- Centralized VMS for corporate oversight
- Cloud backup of critical incidents
- Mobile access for district managers
Strategic camera placement:
- Entrance/exit points for customer counting
- Cash registers with POS overlay
- High-value merchandise areas
- Stockrooms and loading docks
- Parking lots for vehicle tracking
Results and ROI
Measurable improvements:
- Shrinkage reduction: Decreased to 1.4% (56% reduction)
- Annual savings: $420,000 across all stores
- Case resolution: 87% of theft incidents resolved with video evidence
- False accusation protection: Three employees cleared of wrongful theft accusations
- Operational insights: Identified staffing inefficiencies saving $75,000 annually
Return on investment: System paid for itself in 14 months through shrinkage reduction alone.Additional benefits:
- Remote troubleshooting: IT team resolves 80% of issues remotely
- Employee safety: Faster response to incidents
- Customer disputes: Quick resolution with definitive evidence
- Training tool: Real examples for staff development
- Marketing data: Heat maps inform store layout optimization
Case Study 2: Manufacturing Facility Security Upgrade
The Challenge
A mid-sized manufacturing company with a 150,000 square foot facility needed to enhance security while meeting insurance requirements. Their existing system couldn't cover the entire perimeter, lacked night vision capability for outdoor areas, couldn't integrate with their access control system, and provided no analytics for safety compliance monitoring.
The Solution
Implemented enterprise-grade PoE NVR system with advanced analytics:System design:
- Two 32-channel PoE NVRs with failover redundancy
- 52 cameras total: mix of bullet, dome, and PTZ
- RAID 6 storage: 96TB capacity with redundancy
- Integration with existing access control and alarm systems
- AI-powered analytics: safety equipment detection, perimeter protection
- Control room video wall: six monitors for security personnel
Specialized features:
- License plate recognition: Automatic logging of all vehicles
- Hard hat detection: Alerts when workers enter areas without PPE
- Perimeter intrusion: Virtual fences around facility
- Smoke and fire detection: Early warning system
- People counting: Occupancy tracking for emergency planning
Results and Impact
Security improvements:
- Zero perimeter breaches since installation (previously 4-6 annually)
- Trespassing incidents: Reduced from 12 to 1 in first year
- Vehicle tracking: Complete audit trail of all deliveries and visitors
- Access verification: Visual confirmation of badge usage eliminates tailgating
Safety enhancements:
- PPE compliance: Increased from 72% to 98%
- Incident investigation time: Reduced by 65%
- Workers compensation claims: 30% reduction with video evidence
- OSHA compliance: Improved documentation for inspections
Operational benefits:
- Insurance premium: 18% reduction due to enhanced security
- Productivity monitoring: Identified workflow bottlenecks
- Maintenance scheduling: Predictive maintenance from equipment monitoring
- Emergency response: Faster, more informed crisis management
Financial impact:
- ROI achieved: 22 months
- Annual savings: $185,000 in reduced losses and improved efficiency
- Incident costs: Reduced by $95,000 annually
Case Study 3: Multi-Location Restaurant Group
The Challenge
A restaurant group operating 12 locations needed a solution to address cash handling discrepancies averaging $800 per location monthly, employee theft concerns, customer slip-and-fall claims, lack of visibility into operations for management, and individual disconnected systems at each location.
The Solution
Centralized PoE NVR architecture with cloud management:System configuration:
- 8-channel PoE NVR at each location
- 4MP cameras: focused on cash handling, entry/exit, dining areas, kitchen
- POS integration: Transaction overlay on video
- Cloud VMS platform: Unified management of all locations
- Audio-enabled cameras: Customer service monitoring
- Mobile apps: Manager access from anywhere
Key features:
- Heat mapping: Understand customer flow and table popularity
- People counting: Accurate traffic data for staffing
- Queue management: Monitor wait times at counter service locations
- Remote auditing: Corporate team reviews operations without travel
- Incident notification: Automatic alerts for suspicious activity
Results and Transformation
Financial improvements:
- Cash discrepancies: Reduced by 84% to $128 average per location
- Monthly recovery: $8,064 across all locations
- Employee theft: Three cases identified and resolved, saving estimated $45,000 annually
- Insurance claims: Two fraudulent slip-and-fall claims dismissed with video evidence
Operational excellence:
- Service quality: Mystery shopper scores improved 23%
- Staff accountability: Dramatic improvement in adherence to procedures
- Training effectiveness: Real-world examples for staff development
- Labor optimization: Better staffing based on traffic patterns saved $6,200 monthly
Management efficiency:
- Travel reduction: Corporate visits decreased 40% with remote monitoring
- Issue resolution: Problems identified and addressed 3x faster
- Multi-location consistency: Standardized procedures enforcement
- Real-time oversight: Executive dashboard for all locations
Customer experience:
- Wait times: Reduced by average of 3.5 minutes during peak
- Complaint resolution: Video evidence enables fair, fast resolution
- Safety: Quick response to incidents or emergencies
Total ROI: System investment recovered in 7 months, with ongoing monthly savings of $14,264 across all locations.
Case Study 4: Residential Community HOA
The Challenge
A 450-unit residential community faced increasing concerns about package theft, vandalism, unauthorized parking, gate-jumping and tailgating, and lack of evidence for board enforcement actions.
The Solution
Community-wide PoE NVR system with resident access:
Infrastructure:
- Three 16-channel PoE NVRs strategically located
- 38 cameras: covering entries, mail areas, pool, common areas, parking
- License plate recognition: Automatic logging of vehicles
- Cloud backup: Critical areas for redundancy
- Resident portal: Limited access for homeowners
Privacy-conscious design:
- No cameras viewing private yards or windows
- Clear signage about surveillance
- Time-limited access to footage
- Automated retention policy (30 days for general areas, 90 days for entries)
Results and Community Impact
Security improvements:
- Package theft: Eliminated (previously 8-12 incidents monthly)
- Vehicle break-ins: Reduced from 15 to 2 in first year
- Vandalism: 78% reduction
- Police reports: Video evidence led to arrests in three cases
Community management:
- Parking enforcement: Clear evidence for violations
- Amenity misuse: Identification of rule violations
- Contractor verification: Confirm authorized access
- Visitor tracking: Enhanced security for residents
Property value impact:
- Marketability: Security system highlighted in listings
- Insurance: Community policy premium reduced 12%
- Resident satisfaction: Survey scores increased 31%
- Rental appeal: Increased desirability for tenant properties
Operational efficiency:
- Gate problems: Remote diagnosis reduced service calls 60%
- Dispute resolution: Objective evidence settles conflicts
- Maintenance documentation: Visual records of property conditions
- Emergency response: Faster, more informed assistance
Cost recovery: $15 monthly assessment increase accepted by 87% of homeowners, funding system with positive cash flow after 3 years.
Common User Questions and Expert Answers
Question 1: How much does a complete PoE NVR security system cost?
Comprehensive Answer:PoE NVR security system costs vary significantly based on system scope and quality tier. Here's a detailed breakdown:Budget-friendly systems (suitable for small homes or offices with 4-8 cameras):- Total investment: $400-$1,200
- Includes: 4-8 channel PoE NVR, basic 2MP cameras, basic features
- Example: Amcrest or Reolink 8-camera kit
Mid-range systems (ideal for medium businesses or larger homes with 8-16 cameras):
- Total investment: $1,500-$4,000
- Includes: 8-16 channel PoE NVR, 4MP-5MP cameras, advanced features, better build quality
- Example: Hikvision or Dahua professional system
- Total investment: $5,000-$25,000+
- Includes: High-channel-count NVR, 4K cameras, advanced analytics, redundancy, professional installation
- Example: Axis or Avigilon enterprise deployment
- NVR: $200-$2,000 depending on channels and features
- Cameras: $50-$500 each depending on resolution and capabilities
- Cabling and materials: $5-$15 per camera for DIY, more for professional runs
- Installation labor: $75-$150 per camera for professional installation
- Network infrastructure: $0-$1,000 if additional switches needed
- Storage upgrades: $100-$500 for additional HDDs
- Professional programming: $500-$2,000 for complex integrations
- Maintenance: Minimal for DIY, $200-$1,000 annually for service contracts
- Software updates: Usually free
- Cloud storage: $5-$30 per camera monthly if used
- Electricity: $50-$200 annually depending on system size
- DIY installation saves 40-60% of total cost
- Bundle kits more economical than piecing together
- Phased implementation spreads investment over time
- Open-source VMS software eliminates licensing fees
Question 2: Can I install a PoE NVR system myself, or do I need professional installation?
Comprehensive Answer:DIY installation is absolutely feasible for many users, especially those with basic technical skills and comfort working with network equipment. However, success depends on several factors.When DIY makes sense:
- Simple layouts: Small homes or offices with straightforward cable runs
- Technical comfort: Familiarity with basic networking concepts
- Time availability: Willingness to learn and troubleshoot
- Budget constraints: Installation costs often exceed equipment costs
- Accessible mounting locations: No difficult or dangerous access required
- Network basics: Understanding IP addresses, routers, switches
- Cable termination: Ability to crimp RJ45 connectors or use pre-made cables
- Basic tools: Drill, screwdrivers, fish tape, cable tester
- Software configuration: Following instructions for NVR and camera setup
- Physical capability: Working on ladders, in attics, or crawl spaces
- Cost savings: $1,000-$5,000 depending on system size
- Learning experience: Gain knowledge of your system
- Flexibility: Work on your own schedule
- Control: Make design decisions aligned with your preferences
- Complex layouts: Multiple buildings, long cable runs, difficult routing
- Commercial applications: Code compliance, warranty requirements, insurance
- Limited technical experience: Steep learning curve causes frustration
- Time constraints: Project needs completion quickly
- Specialized requirements: High-security applications, advanced integrations
- Difficult installations: High ceilings, outdoor poles, underground conduit
- Expertise: Optimal camera placement and configuration
- Efficiency: Faster completion than DIY
- Warranty protection: Many warranties require professional installation
- Code compliance: Ensured adherence to building and electrical codes
- Liability: Installer assumes responsibility for proper operation
- Support: Ongoing technical assistance and training
- Professional design consultation ($200-$500) followed by DIY installation
- DIY equipment setup with professional cabling for difficult runs
- Self-installation with professional commissioning and training
- Initial DIY deployment with professional optimization after learning period
- Research and planning (1-2 weeks):
- Watch installation tutorials
- Read user manuals thoroughly
- Create detailed site plan
- Order equipment with good return policies
- Preparation (1-2 days):
- Gather all tools and materials
- Test equipment before installation
- Prepare cable routes
- Mark all mounting locations
- Installation (1-3 days depending on system size):
- Mount cameras
- Run and terminate cables
- Connect to NVR
- Test each camera
- Configuration (1 day):
- Set up NVR
- Add cameras
- Configure recording
- Set up remote access
- Testing and optimization (ongoing):
- Verify all functions
- Adjust settings
- Fine-tune motion detection
- Train users
Bottom line: Start with thorough research, be honest about your capabilities, consider hybrid approaches, and don't hesitate to seek professional help for aspects beyond your comfort level.
Question 3: What's the difference between an NVR and a DVR security system?
Comprehensive Answer:NVR (Network Video Recorder) and DVR (Digital Video Recorder) systems represent fundamentally different approaches to video surveillance, each with distinct advantages and limitations.Key Architectural Differences
DVR Systems:
- Use analog cameras connected via coaxial cable
- Video processing occurs at the DVR
- Cameras capture raw video sent to DVR for encoding
- Require separate power cables to each camera
- Limited to 720p or 1080p resolution typically
- Shorter maximum cable runs (typically 500 feet)
NVR Systems:
- Use IP cameras connected via Ethernet cable
- Video processing occurs at the camera
- Cameras encode video before transmission
- PoE provides power through data cable
- Support 4K and higher resolutions
- Longer cable runs possible (330 feet+ with extenders)
Video Quality Comparison
DVR limitations:
- Analog signal degradation over distance
- Lower resolution capabilities
- Interference susceptible
- Fixed quality per system
NVR advantages:
- Digital transmission maintains quality
- Ultra-high resolutions supported
- Minimal interference
- Variable quality per camera
Flexibility and Scalability
DVR constraints:
- Fixed channel count determined by hardware
- All cameras must be same standard (CVBS, HD-TVI, HD-CVI, AHD)
- Difficult wireless integration
- Limited analytics capabilities
NVR flexibility:
- Easy expansion by adding network cameras
- Mix different resolutions and features
- Wireless cameras easily integrated
- Advanced AI and analytics support
Installation Differences
DVR installation:
- Simpler for traditional installers familiar with coax
- Two cable runs per camera (video + power)
- Easier retrofit in buildings with existing coax
- Limited by coax infrastructure
NVR installation:
- Single cable per camera with PoE
- Leverages existing network infrastructure
- Cleaner, more professional appearance
- Requires basic networking knowledge
Cost Considerations
DVR systems:
- Lower initial camera costs ($30-$100 per camera)
- Higher installation labor (dual cable runs)
- Limited upgrade path
- Mature, stable technology
NVR systems:
- Higher camera costs ($50-$500 per camera)
- Lower installation costs with PoE
- Future-proof technology
- Better long-term value
Performance Characteristics
DVR performance:
- Lower bandwidth consumption locally
- Centralized video processing
- Limited processing power
- Frame rate drops with many cameras
NVR performance:
- Distributed processing at cameras
- Consistent performance across all channels
- Higher bandwidth on network
- Better scalability
Feature Comparison
- Basic motion detection
- Local storage
- Limited remote access
- Standard recording modes
- AI-powered analytics
- Cloud integration
- Mobile apps with rich functionality
- Advanced search and forensic tools
- Two-way audio support
- Third-party integrations
Which System is Right for You?
Choose DVR if:
- Budget is extremely limited
- Existing coax infrastructure to leverage
- Simple, straightforward surveillance needs
- Comfortable with older, proven technology
- Don't need ultra-high resolution
- Want best video quality and future-proofing
- Desire advanced features and analytics
- Value simplified installation with PoE
- Need remote access and mobile monitoring
- Plan to integrate with other systems
- Require scalability for growth
Question 4: How much storage do I need, and how long will recordings last?
Comprehensive Answer:Storage requirements for your PoE NVR system depend on multiple variables, and proper calculation ensures you have adequate retention without wasting money on excessive capacity.Factors Affecting Storage Consumption
- 1080p (2MP): 2-4 GB per hour per camera
- 4MP: 4-6 GB per hour per camera
- 5MP: 5-8 GB per hour per camera
- 4K (8MP): 8-15 GB per hour per camera
- 30 fps: Full motion, highest storage consumption
- 15-20 fps: Smooth motion, reduced storage (30-40% savings)
- 10-12 fps: Acceptable motion, significant savings (50-60% reduction)
- 5-10 fps: Choppy but adequate for many purposes (70% savings)
- H.264: Standard compression
- H.265 (HEVC): ~50% reduction versus H.264
- H.265+: Additional 10-20% savings beyond H.265
- Smart codecs: 30-70% savings in low-activity scenes
- Continuous 24/7: Maximum storage consumption
- Motion-based: 30-80% reduction depending on activity
- Scheduled: Record only during specific hours
- Event-triggered: Minimal storage for low-activity areas
- High-activity areas: More data to encode (busy retail, traffic)
- Static scenes: Compression works optimally (hallways, storage rooms)
- Complex imagery: Fine details require more data
- Changing lighting: Frequent adjustments increase file sizes
Storage Calculation Examples
- Cameras: 8 × 4MP cameras
- Frame rate: 20 fps
- Codec: H.265
- Recording: Motion-based (8 hours average per day)
- Retention: 30 days
- Per camera: 5 MB/sec × 3,600 sec/hr × 8 hrs/day = 144 GB/day
- All cameras: 144 GB × 8 cameras = 1,152 GB/day
- 30 days: 1,152 GB × 30 = 34,560 GB = ~35 TB required
- Cameras: 4 × 1080p cameras
- Frame rate: 15 fps
- Codec: H.265
- Recording: Motion-based (4 hours average per day)
- Retention: 14 days
- Per camera: 2 MB/sec × 3,600 × 4 = 28.8 GB/day
- All cameras: 28.8 GB × 4 = 115.2 GB/day
- 14 days: 115.2 GB × 14 = ~1.6 TB required
Optimizing Storage Efficiency
- Use H.265 compression universally
- Adjust frame rates appropriately:
- 20-30 fps for high-activity areas
- 12-15 fps for general surveillance
- 5-10 fps for static areas
- Implement motion-based recording where appropriate
- Configure dual streams:
- High quality for recording
- Low quality for live viewing
- Use smart codecs (H.265+, Smart H.264+)
- Adjust recording quality per camera importance
- Schedule recording for business hours only where appropriate
Advanced strategies:
- Pre-event recording: Record continuously but only save when motion detected, keeping previous 5-10 seconds
- Variable bitrate (VBR): Adjusts quality based on scene complexity
- Region of interest: Higher quality for important areas, lower for periphery
- Tiered storage: Keep recent footage locally, archive older to lower-cost storage
Storage Types and Recommendations
- Western Digital Purple: Industry standard, up to 18TB
- Seagate SkyHawk: Excellent reliability, optimized for 24/7
- Toshiba Surveillance: Good value option
- Workload rating: 180+ TB/year for surveillance drives
- MTBF: 1+ million hours
- Cache: 256-512MB
- RPM: 5,400-7,200 (balance of performance and reliability)
- 4-8 cameras: Single drive sufficient
- 8-16 cameras: RAID 1 (mirroring) for redundancy
- 16+ cameras: RAID 5 or RAID 6 for balance
- Enterprise: RAID 10 for maximum performance and redundancy
Storage Best Practices
- Calculate requirements for 25% more cameras than currently deployed
- Plan for 30-60 day retention minimum for commercial applications
- Consider compliance requirements (some industries require 90+ days)
- Monitor drive health through NVR SMART reporting
- Replace drives proactively every 3-4 years in 24/7 systems
- Maintain 15-20% free space for optimal performance
- Regular archival of important footage
- Allocate 15-25% of total system budget for storage
- Plan for storage upgrades in year 2-3
- Consider external NAS for archive storage
Question 5: Can I access my NVR remotely, and is it secure?
Comprehensive Answer:Remote access is one of the most valuable features of modern PoE NVR security systems, enabling monitoring from anywhere with internet connectivity. However, implementing remote access securely requires proper configuration and awareness of potential vulnerabilities.Remote Access Methods
1. P2P (Peer-to-Peer) Cloud Services How it works:- NVR connects to manufacturer's cloud server
- Creates unique QR code or device ID
- Access through manufacturer's app or website
- No port forwarding required
- Easiest setup (often works out-of-box)
- No networking knowledge required
- Works behind most firewalls
- Automatic updates to connection
- Depends on manufacturer's cloud service
- Potential privacy concerns (data routes through third-party)
- May have limitations on concurrent connections
- Service interruptions affect access
- Use strong unique password
- Enable two-factor authentication if available
- Verify manufacturer's privacy policy
- Understand data routing
- Configure router to forward specific ports to NVR
- Assign static IP to NVR or use DHCP reservation
- Access via WAN IP address or DDNS hostname
- Direct connection to NVR
- No third-party dependencies
- Lower latency
- Full control over configuration
- No limitations on features
- Requires networking knowledge
- More complex setup
- Port forwarding creates potential security risk if misconfigured
- Requires static IP or DDNS service
- Change default ports
- Use HTTPS (port 443)
- Implement strong passwords
- Enable IP whitelist if possible
- Keep firmware updated
- Configure firewall rules
- Set up VPN server on router or dedicated device
- Connect to VPN from remote location
- Access NVR as if on local network
- All traffic encrypted
- Most secure method
- Access entire network securely
- No ports open to internet
- Encrypted communication
- Works for all devices, not just NVR
- More complex initial setup
- Requires VPN-capable router or separate VPN server
- May impact performance on slower connections
- Additional device (phone/laptop) configuration required
- OpenVPN: Open-source, highly secure
- WireGuard: Modern, fast, secure
- Router built-in: Many routers include VPN server
- Tailscale/ZeroTier: Easy-to-setup mesh VPN
- NVR streams to cloud-based video management
- Access through cloud platform interface
- Hybrid local and cloud storage
- Professional-grade interface
- Access from any device
- Additional features (analytics, reporting)
- Centralized management for multiple locations
- Monthly subscription costs
- Bandwidth requirements for uploads
- Dependency on internet connectivity
- Potential privacy considerations
Security Best Practices
- Change default credentials immediately
- Use complex passwords (12+ characters, mixed case, numbers, symbols)
- Unique password for NVR (not reused elsewhere)
- Different passwords for admin and user accounts
- Password manager for secure storage
- Enable if available (increasingly common)
- Authentication apps (Google Authenticator, Authy)
- SMS backup option
- Recovery codes stored securely
- Place NVR on separate VLAN
- Configure firewall rules restrictively
- Disable UPnP on router (prevents automatic port opening)
- Use non-standard ports (not 80, 8000, 554)
- Implement IP address whitelist where possible
- Install updates promptly (security patches critical)
- Subscribe to manufacturer security advisories
- Enable automatic updates if available and reliable
- Test updates on non-critical systems first
- Maintain firmware backup before updates
- Enable HTTPS for web access
- Use SSL/TLS for all communications
- Avoid HTTP and unencrypted protocols
- Verify certificate warnings
- Enable access logs
- Review login attempts regularly
- Monitor for unauthorized access attempts
- Set up alerts for unusual activity
- Document authorized users and devices
- Create separate accounts for different users
- Implement principle of least privilege
- Disable guest accounts
- Remove accounts for former employees/residents
- Regular audit of active accounts
Mobile App Security
- Use official manufacturer apps
- Verify app authenticity (download from official stores)
- Review app permissions
- Check privacy policy
- Read reviews for security issues
- Keep device OS updated
- Use device passcode/biometric protection
- Enable app-specific password/biometric
- Avoid rooted/jailbroken devices
- Be cautious on public Wi-Fi (use VPN)
Common Security Pitfalls to Avoid
- Leave default passwords
- Use weak passwords
- Open unnecessary ports
- Enable UPnP
- Ignore firmware updates
- Share credentials
- Access from untrusted networks without VPN
- Use outdated browsers or apps
- Disable firewall for "easier" access
- Change defaults immediately
- Use strong unique passwords
- Minimal port exposure
- Enable all available security features
- Update regularly
- Use separate credentials per user
- Always use VPN on public networks
- Keep client software current
- Maintain layered security
Balancing Convenience and Security
- Low risk (home system viewing pet cams): P2P with strong password acceptable
- Medium risk (small business): Port forwarding with proper security or VPN
- High risk (sensitive facilities, compliance required): VPN only, no exceptions
- Start with P2P for simplicity
- Use strongest available passwords and 2FA
- Transition to VPN as technical comfort grows
- Reserve port forwarding for specific advanced needs
- Regular security audits
Question 6: What resolution should I choose for my security cameras?
Comprehensive Answer:Camera resolution dramatically impacts image quality, storage requirements, and system costs. Choosing the appropriate resolution for each camera location optimizes both effectiveness and investment.Understanding Resolution Options
- Pixel dimensions: 1280×720
- Use case: Legacy systems, extremely budget-constrained
- Identification distance: ~5-10 feet
- Not recommended for new installations in 2025
- Pixel dimensions: 1920×1080
- Use case: General surveillance, budget-conscious deployments
- Identification distance: ~15-20 feet
- Bandwidth: ~2-4 Mbps with H.265
- Still viable for many applications
- Pixel dimensions: 2048×1536 (3MP), 2688×1520 (4MP)
- Use case: Enhanced detail for moderately critical areas
- Identification distance: ~25-35 feet
- Bandwidth: ~4-6 Mbps with H.265
- Excellent value proposition—sweet spot for many installations
- Pixel dimensions: 2592×1944
- Use case: High-detail areas, facial recognition, LPR
- Identification distance: ~30-40 feet
- Bandwidth: ~5-8 Mbps with H.265
- Growing in popularity
- Pixel dimensions: 3840×2160
- Use case: Large areas with digital zoom needs, critical identification
- Identification distance: ~50-60 feet
- Bandwidth: ~8-15 Mbps with H.265
- Premium applications
- Pixel dimensions: 4000×3000+
- Use case: Specialized applications (stadiums, airports, high-security)
- Identification distance: 75+ feet
- Bandwidth: 15-25+ Mbps
- Niche applications only
Resolution Selection by Location
- Recommended: 4MP-5MP minimum
- Rationale: Critical identification zone
- Coverage: Facial recognition quality within 15-20 feet
- Additional features: WDR essential for doors with exterior views
- Recommended: 4MP-5MP
- Rationale: Capture currency denominations, transaction details
- Coverage: Tight framing on register area
- Additional features: POS integration
- Recommended: 4K (8MP) or specialized LPR cameras
- Rationale: License plate capture from distance
- Coverage: Large area overview with detail for digital zoom
- Specialized: Dedicated LPR cameras for vehicle identification
- Recommended: 2MP-4MP
- Rationale: Sufficient for general activity monitoring
- Coverage: Wide-angle overview
- Cost-effective: Balance quality and storage
- Recommended: 4MP-4K depending on distance
- Rationale: Early detection at distance
- Coverage: Long-range viewing
- Additional features: IR range 100+ meters for night vision
- Recommended: 2MP-4MP
- Rationale: Narrow field of view doesn't require ultra-high resolution
- Coverage: Length of hallway
- Specialized: Corridor format (9:16 aspect ratio) cameras available
- Recommended: 4MP-5MP minimum
- Rationale: Detail for inventory verification
- Coverage: Multiple angles recommended
- Additional features: Low-light capability
- Recommended: 4MP-5MP
- Rationale: Visitor identification and behavior monitoring
- Coverage: Entrance and seating areas
- Additional features: Audio for customer service monitoring
Factors Influencing Resolution Choice
- Rule of thumb: 1MP provides ~100 pixels per foot at optimal distance
- Facial recognition standard: ~100-120 pixels per foot required
- License plate capture: ~250+ pixels per foot needed
- 4MP camera (2688 pixels wide)
- Viewing 30-foot-wide area
- PPF = 2688 / 30 = 89.6 PPF
- Well-lit areas: Higher resolution more effective
- Low-light: Lower resolution with larger sensor may outperform
- Consideration: Pixel size vs. resolution trade-off
- Balance: 4MP-5MP often optimal for mixed lighting
- Limited storage: Lower resolution or shorter retention
- Calculation: 4K camera uses 2x storage of 2MP
- Strategy: High resolution for critical cameras, standard for others
- Limited network capacity: Lower resolution or reduced frame rate
- Calculate total: Sum all camera bandwidth requirements
- Upgrade options: Network infrastructure improvements vs. resolution reduction
- Camera costs: 4K cameras often 50-100% more than 2MP
- Storage costs: Higher resolution multiplies storage needs
- Total system: Balance camera quality and quantity
- Prioritization: Higher resolution for critical areas
Resolution vs. Other Factors
- Larger sensors capture more light
- Better sensors provide cleaner images
- Low-light performance often more important than raw resolution
- Quality optics maintain sharpness across frame
- Cheap lenses negate resolution advantages
- Varifocal lenses offer flexibility
- True WDR: Multiple exposures combined
- Critical for challenging lighting
- More important than resolution bump in many scenarios
- Motion smoothness vs. resolution trade-off
- 20fps at 4MP often better than 10fps at 4K
- Adjust based on scene activity
- H.265 maintains quality at lower bitrates
- Smart codecs further optimize
- Poor encoding undermines resolution advantages
Recommended Resolution Strategies
Balanced approach for typical installations:
- Critical cameras (20%): 4K or 5MP—entrances, cash handling, high-value
- Important cameras (50%): 4MP—general business areas, parking
- General cameras (30%): 2MP—hallways, low-risk areas
- Priority cameras (30%): 4MP-5MP
- Standard cameras (70%): 2MP
- Phased upgrade: Replace critical cameras first
- All cameras: 4MP minimum
- Critical areas: 4K
- Specialized: 12MP where warranted
- Future-proof: Accommodate future camera upgrades
- Moderate resolution (4MP)
- Aggressive compression (H.265+)
- Motion-based recording
- Shorter retention periods
Future-Proofing Considerations
- 4MP becoming new baseline (2MP was 5 years ago)
- 4K increasingly affordable
- Storage costs declining
- Network infrastructure improving
- Minimum 2MP for any new installation
- 4MP sweet spot for most applications
- NVR should support 4K for future cameras
- Network infrastructure: Gigabit minimum
- Cameras have 5-7 year typical lifespan
- Replace lower-resolution cameras first
- Mix resolutions acceptable in single system
- NVR capacity planning for higher resolution
Question 7: How do PoE NVR systems compare to wireless security cameras?
Comprehensive Answer:PoE NVR systems and wireless camera systems represent fundamentally different approaches, each with distinct advantages, limitations, and ideal use cases. Understanding these differences helps you choose the right solution for your specific needs.Technology Comparison
PoE NVR System Architecture:- Physical connection: Ethernet cable from each camera to NVR/switch
- Power delivery: PoE through network cable
- Data transmission: Wired Ethernet (1000 Mbps typical)
- Storage: Local NVR with large hard drives
- Management: Centralized through NVR
- Wireless connection: Wi-Fi from cameras to router/base station
- Power delivery: Battery, solar, or AC adapter
- Data transmission: Wi-Fi (speeds vary, typically 100-300 Mbps practical)
- Storage: Cloud storage, local SD card, or hub device
- Management: Cloud-based or mobile app
Reliability and Performance
- Consistent connectivity: Wired connection immune to wireless interference
- Bandwidth guarantee: Dedicated bandwidth per camera
- No dropouts: Stable connection regardless of distance or obstacles
- 24/7 operation: Continuous power eliminates battery concerns
- Lower latency: Direct wired connection for real-time viewing
- Multiple cameras: Performance doesn't degrade with more cameras
- Signal interference: Other Wi-Fi devices, microwaves, cordless phones
- Distance limitations: Range varies with obstacles (walls, floors)
- Bandwidth contention: Multiple cameras share wireless bandwidth
- Connection drops: Temporary loss of connectivity possible
- Battery maintenance: Regular recharging or replacement
- Degraded performance: More cameras = potential slowdowns
Installation Considerations
PoE NVR Installation: Pros:
- No battery changes
- No wireless network setup per camera
- Professional, permanent installation
- Optimal camera positioning without power outlet concerns
Cons:
- Cable running through walls/ceilings
- More labor-intensive
- Visible cables if not concealed properly
- Difficult to relocate cameras
Wireless Camera Installation: Pros:
- Quick setup: Often 15-30 minutes per camera
- No cable running: Mount anywhere with Wi-Fi coverage
- DIY-friendly: Non-technical users can install
- Easily relocated: Move cameras as needs change
- Rental-friendly: No permanent modifications
Cons:
- Wi-Fi coverage planning required
- Battery access for recharging/replacement
- Power outlet locations for wired wireless cameras
- Signal repeaters may be needed
Cost Analysis
PoE NVR System Costs:
- Equipment: $800-$3,000 for 8-camera system
- Installation (professional): $1,000-$3,000
- Ongoing: Minimal (electricity only)
- Total first year: $1,800-$6,000
Wireless Camera System Costs:
- Equipment: $400-$2,000 for 8-camera system
- Installation: Often DIY (free) or $300-$800 professional
- Cloud storage: $10-$30/camera monthly = $960-$2,880/year for 8 cameras
- Battery replacements: $20-$50/camera annually if battery-powered
- Total first year: $1,500-$5,000
- Total five years: $6,000-$16,000 with subscriptions
Cost over time: PoE systems have higher upfront costs but lower total cost of ownership. Wireless systems have lower entry cost but ongoing expenses.
Feature Comparison
PoE NVR Capabilities:
- Advanced analytics: Facial recognition, LPR, behavior analysis
- Continuous recording: 24/7 recording without limitations
- High resolution: 4K and higher readily supported
- Multiple streams: Simultaneous recording and viewing
- Local control: Full access without internet dependency
- Integration: Compatible with professional VMS and building systems
- Retention: Days to months of footage locally stored
Wireless Camera Features:
- Mobile-first: Designed for smartphone control
- Easy sharing: Multiple users with app access
- Smart home integration: Works with Alexa, Google, Apple HomeKit
- Flexible recording: Event-based to conserve battery/storage
- Cloud access: Footage accessible even if camera stolen/damaged
- Simpler setup: Consumer-friendly interfaces
- Retention: Typically days to weeks depending on subscription
Security and Privacy
PoE NVR Security:
- Local storage: Footage stays on premises
- Network control: Isolated on private network
- No subscriptions: Avoid cloud security risks
- Direct access: VPN option for maximum security
- Physical security: Secure NVR location protects footage
Wireless Camera Considerations:
- Cloud dependency: Footage transmitted to third-party servers
- Privacy concerns: Potential unauthorized access or data breaches
- Subscription lock-in: Features require ongoing payments
- Internet dependent: Outages affect functionality
- Encryption: Varies by manufacturer
Privacy-conscious users: PoE NVR systems offer greater control and privacy.
Scalability and Expansion
PoE NVR Expansion:
- Easy scaling: Add cameras up to NVR channel limit
- Consistent quality: All cameras perform equally
- Network capacity: Gigabit infrastructure supports many cameras
- Future growth: Replace NVR for additional capacity
Wireless System Expansion:
- Wi-Fi limitations: Network capacity constraints with many cameras
- Hub limitations: Some systems limit cameras per hub
- Subscription costs: Expenses multiply with each camera
- Network congestion: Performance degrades with numerous devices
Large installations: PoE clearly superior for 16+ cameras.
Best Use Cases
Choose PoE NVR System When:
- Permanent installation in owned property
- Large number of cameras (8+)
- Critical security needs requiring reliability
- 24/7 recording essential
- Advanced features like analytics needed
- Multiple locations requiring centralized management
- Budget allows higher upfront investment
- Privacy priority: Keep footage on-premises
- Commercial/business applications
- Long-term cost considerations important
Choose Wireless Cameras When:
- Rental property or temporary installation
- Small number of cameras (1-4)
- DIY installation preferred
- Budget limited for initial purchase
- Flexibility desired to move cameras
- Simple monitoring sufficient
- Existing Wi-Fi infrastructure robust
- Casual home monitoring
- Supplementing existing security system
- Specific locations challenging to wire
Hybrid Approach
Combining both:
- PoE cameras: Critical areas (entries, high-value)
- Wireless cameras: Supplemental coverage (backyard, side gates)
- Benefits: Reliability where crucial, flexibility where convenient
- Systems: Some NVRs support both wired and wireless cameras
Common Misconceptions
Myth: Wireless is always easier Reality: Initial setup easier, but battery management and network troubleshooting offset this
Myth: PoE requires extensive renovation Reality: Professional installers often run cables with minimal intrusion
Myth: Wireless is more modern and advanced Reality: Commercial installations overwhelmingly choose wired for reliability
Myth: PoE systems can't be expanded easily Reality: Adding cameras is straightforward with available NVR channels
Bottom line: PoE NVR systems excel for permanent installations prioritizing reliability, advanced features, and long-term value.
Wireless cameras suit temporary setups, rental properties, and users prioritizing installation simplicity over long-term costs and feature depth.
For serious security needs, PoE NVR systems remain the professional choice. For supplemental monitoring or temporary needs, wireless cameras offer convenience. Assess your specific requirements, property ownership, budget structure (upfront vs. ongoing), and performance expectations to make the best choice.
Question 8: What maintenance does a PoE NVR system require?
Comprehensive Answer: While PoE NVR security systems are relatively low-maintenance compared to many security technologies, proper care ensures optimal performance, longevity, and reliable operation when you need it most.Daily and Weekly Checks
Visual inspection (daily for critical systems, weekly for residential):Camera operation:- Verify all cameras show green status indicators
- Check live views for each camera
- Confirm video quality hasn't degraded
- Note any camera angles that shifted
- Verify night vision activation after dark
Recording verification:
- Confirm active recording status
- Check timeline shows continuous or expected motion recording
- Verify storage not full
- Test playback of recent footage
Alert functionality:
- Confirm motion detection triggers properly
- Check email/push notifications delivering
- Verify alert accuracy (not too sensitive/insensitive)
Time: 5-10 minutes for typical 8-16 camera system
Monthly Maintenance Tasks
Camera physical inspection:
Outdoor cameras:
- Clean lenses with microfiber cloth (fingerprints, dust, pollen)
- Check weatherproofing seals intact
- Verify mounting hardware tight
- Inspect cables for damage (chewing animals, weather)
- Clear spider webs from IR sensors
- Check sun shields not obstructing view
Indoor cameras:
- Dust lenses and housing
- Verify cables secure
- Check mounting stability
- Ensure good airflow around camera
System health check:
- Review NVR system logs for errors
- Check hard drive health (S.M.A.R.T. status)
- Verify adequate free storage space (15-20% minimum)
- Confirm network connectivity stable
- Test remote access functionality
- Review bandwidth utilization
Time: 30-60 minutes depending on camera count
Quarterly Maintenance
Comprehensive system review:Camera performance optimization:
- Review and adjust motion detection zones
- Fine-tune sensitivity settings based on false alarms
- Verify recording schedules match needs
- Check exposure settings for seasonal sun angle changes
- Test night vision effectiveness
- Adjust camera angles if needed
Storage management:
- Review retention periods appropriate
- Check for storage errors or bad sectors
- Verify RAID arrays healthy (if applicable)
- Export and archive important footage
- Clean up unnecessary recordings if manual management
Network verification:
- Test network speeds and latency
- Check switch port status and statistics
- Verify PoE power delivery to all cameras
- Review network logs for errors
- Update DDNS if using (confirm still resolving)
Software updates:
- Check for NVR firmware updates
- Review camera firmware update availability
- Update mobile apps and desktop software
- Read release notes before updating
- Backup configuration before updates
- Test system after updates
Time: 1-2 hours for thorough review
Semi-Annual (Every 6 Months)
Deep maintenance:Physical cleaning:
- NVR unit: Clean dust from vents and fan intakes, verify cooling fans operational, check internal temperature, clean accumulated dust inside unit (if accessible)
- Cables: Inspect full length of accessible cables, check connections for corrosion, verify cable management still secure, look for signs of wear or damage
Comprehensive testing:
- Full system backup: Export complete configuration, save critical footage samples, document camera settings, test restoration process
- Failover testing: Simulate power failure (verify UPS), test backup recording (SD cards if available), confirm cloud backup working (if used), verify alerts during system issues
- Security audit: Change passwords, review user accounts, check access logs, verify firewall rules, test remote access security
Calibration:
- Verify camera time synchronization
- Check date/time accuracy on NVR
- Test motion detection accuracy
- Recalibrate any analytics (people counting, etc.)
- Verify video quality still optimal
Documentation update:
- Update camera location map
- Document any system changes
- Update contact information
- Review and update operational procedures
- Maintain equipment inventory
Time: 2-4 hours depending on system complexity
Annual Maintenance
Comprehensive system evaluation:Professional inspection (recommended):
- Complete system health assessment
- Camera lens professional cleaning
- Electrical connection verification
- Network infrastructure assessment
- Performance optimization
- Upgrade recommendations
Hard drive health:
- Review S.M.A.R.T. data thoroughly
- Consider proactive replacement of drives approaching 3-4 years in 24/7 systems
- Verify RAID array rebuild time acceptable
- Test drive replacement procedure
System optimization:
- Comprehensive camera positioning review
- Analytics tuning and optimization
- Storage efficiency analysis
- Network performance assessment
- Integration testing (access control, alarms)
Cybersecurity review:
- Password rotation
- Security patch verification
- Vulnerability assessment
- Third-party security audit for critical systems
- Update incident response procedures
Budgeting and planning:
- Identify equipment approaching end of life
- Plan for expansion needs
- Evaluate new technology opportunities
- Budget for upcoming maintenance/upgrades
- Review service contracts and warranties
Time: 4-8 hours or professional service call
Preventive Maintenance Best Practices
Climate control:
- Maintain NVR room temperature (60-80°F optimal)
- Ensure adequate ventilation
- Keep NVR away from heat sources
- Use climate control in equipment rooms
- Monitor temperature with alerts if critical
Power protection:
- Maintain UPS batteries (replace every 3-4 years)
- Test UPS functionality monthly
- Use surge protectors for all equipment
- Consider generator backup for critical systems
- Monitor power quality
Physical security:
- Secure NVR in locked location
- Restrict physical access
- Consider tamper alerts on cameras
- Protect cables from vandalism
- Secure network equipment
Documentation:
- Maintain maintenance log
- Document all changes and issues
- Keep equipment manuals accessible
- Record warranty information
- Track firmware versions
Common Issues and Preventive Measures
Camera failures:
- Prevention: Use weatherproof enclosures, adequate cooling, surge protection, quality cameras from reputable manufacturers
- Early detection: Regular visual checks, monitor system logs, respond to alerts promptly
Storage failures:
- Prevention: Use surveillance-rated drives, implement RAID redundancy, maintain proper cooling, monitor SMART data
- Early detection: Check storage health monthly, watch for increasing error rates, proactive replacement schedule
Network problems:
- Prevention: Quality switches and cables, proper cable management, adequate bandwidth, regular firmware updates
- Early detection: Monitor bandwidth utilization, check error logs, verify packet loss statistics
Power issues:
- Prevention: Dedicated circuits, adequate PoE capacity, UPS protection, surge protection
- Early detection: Monitor power logs, check PoE delivery, test UPS regularly
Maintenance Schedule Template
Daily (critical systems):
- Visual camera check: 5 minutes
- Recording verification: 5 minutes
Weekly (standard systems):
- System status review: 10 minutes
- Alert functionality check: 5 minutes
Monthly:
- Camera cleaning: 30 minutes
- System health review: 30 minutes
Quarterly:
- Comprehensive settings review: 1 hour
- Software updates: 1 hour
Semi-annually:
- Deep cleaning: 1 hour
- Security audit: 2 hours
- Comprehensive testing: 1 hour
Annually:
- Professional inspection: 2-4 hours
- Strategic planning: 2 hours
Cost of Maintenance
DIY maintenance:
- Minimal cost (cleaning supplies, occasional drive replacement)
- Time investment primary cost
- Estimated annual: $100-300
- Service contracts: $200-$1,000 annually depending on system size
- On-demand service: $150-$300 per call
- Comprehensive annual inspection: $300-$800
Bottom line: Consistent maintenance prevents major issues, extends equipment life, and ensures your security system performs reliably when you need it. While PoE NVR systems require less maintenance than many technologies, neglecting regular care leads to degraded performance, premature failures, and potential security gaps. Implement a scheduled maintenance routine appropriate for your system criticality, and address issues promptly when detected. For business-critical systems, professional maintenance contracts provide peace of mind and often prevent costly failures.
Conclusion: Investing in Security and Peace of Mind
The decision to implement a PoE NVR security system represents more than just a technology purchase—it's an investment in safety, operational efficiency, asset protection, and peace of mind that pays dividends for years to come.Throughout this comprehensive guide, we've explored every aspect of nvr security camera systems, from fundamental concepts and technical specifications to installation best practices, advanced features, troubleshooting, and real-world applications. The evidence is clear: PoE NVR technology has revolutionized video surveillance, offering unprecedented combination of performance, reliability, scalability, and value.
Key Takeaways
Technology advantages: Power over Ethernet simplifies installation while maintaining professional reliability, eliminating complexity of separate power infrastructure while ensuring consistent, high-quality video delivery.Scalability and flexibility: Modern IP-based architecture allows systems to grow with your needs, accommodating additional cameras, upgraded technology, and evolving requirements without wholesale replacement.
Advanced capabilities: Today's NVR platforms offer far more than simple recording—AI-powered analytics, facial recognition, behavior analysis, and business intelligence transform passive surveillance into active security management and operational optimization.
Total cost of ownership: While PoE NVR systems require more upfront investment than budget alternatives, the absence of monthly subscriptions, superior reliability, and longevity create compelling long-term value proposition.
Integration possibilities: Modern systems seamlessly integrate with access control, alarm systems, building automation, and business platforms, creating comprehensive, unified security ecosystems enhanced by av system integration software.
Making Your Decision
When evaluating whether a PoE NVR security system is right for you, consider these critical factors:Current security gaps: What vulnerabilities exist in your property? What incidents have occurred? What assets need protection? What peace of mind value do you place on comprehensive surveillance?Long-term requirements: Will your needs expand? Is this a permanent location? Do you anticipate future technology integration? Is scalability important?
Technical comfort: Are you willing to learn new technology? Do you have IT support available? Is professional installation in budget?
Budget structure: Can you invest more upfront for lower ongoing costs? Or do subscription models better match cash flow?
Privacy considerations: How important is local control of footage? What are your data security requirements? Do regulatory compliance issues exist?
For most property owners, businesses, and organizations, the answer is clear: a properly designed PoE NVR security system delivers the best combination of reliability, features, performance, and value available in today's marketplace.
Taking Action
Ready to move forward? Follow this roadmap:1. Assessment (1-2 weeks):
- Evaluate your property and security needs
- Identify critical areas requiring coverage
- Determine camera quantity and types
- Establish budget parameters
- Research equipment options
- Create detailed system design
- Obtain quotes from installers if needed
- Review and compare proposals
- Purchase equipment
- Schedule installation
- Complete setup and configuration
- Comprehensive testing
- Fine-tune settings based on real-world use
- Train users on system operation
- Implement maintenance schedule
- Evaluate performance and adjust as needed
The Future of Video Surveillance
PoE NVR technology continues to evolve rapidly. Emerging trends include:Enhanced AI capabilities: More sophisticated analytics, improved accuracy, new detection types becoming standard features across all price points.
Cloud integration: Hybrid architectures balancing local reliability with cloud accessibility, offering best of both worlds.
Edge computing: More processing at camera level, reducing network bandwidth while enabling advanced features.
Higher resolutions: 4K becoming standard, 8K entering commercial applications, extreme detail for specialized needs.
Improved compression: More efficient codecs reducing storage and bandwidth requirements while maintaining quality.
Cybersecurity focus: Enhanced security features, better encryption, improved authentication protecting against evolving threats.By implementing a PoE NVR security system today, you're not just addressing current needs—you're establishing a foundation that will accommodate these advancing technologies as they become available.
Final Thoughts
Security is not an expense—it's an investment. The cost of implementing comprehensive surveillance pales compared to potential losses from theft, liability, operational inefficiencies, or worst of all, harm to people.A well-designed PoE NVR security system provides:- 24/7 vigilance that never takes breaks or looks away
- Irrefutable evidence for investigations and disputes
- Deterrence that prevents many incidents before they occur
- Operational intelligence that optimizes efficiency
- Peace of mind that allows you to focus on what matters most
Whether you're protecting your home, securing your business, managing a facility, or safeguarding a community, PoE NVR technology offers the tools and capabilities needed for comprehensive, reliable, and effective surveillance.
The question isn't whether you can afford to implement a quality security system—it's whether you can afford not to.
Take control of your security. Protect what matters. Invest in peace of mind. Implement a PoE NVR security system today and experience the confidence that comes from knowing you have professional-grade protection working for you around the clock.
Your security is too important to leave to chance. Make the investment. Reap the benefits. Rest easier knowing you've taken decisive action to protect what's most valuable to you